1. Réamhrá: Bás na Ré “Aon Mhéide-Oide do Chách”. Ar feadh na mblianta, ba é an chatalóg rí na hoifige innealtóireachta...
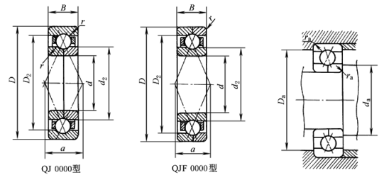
Is imthacaí liathróid teagmhála uilleach aon-sraith gathacha iad imthacaí liathróid teagmhála ceithre phointe le rásbhealaí atá deartha chun tacú le hualaí aiseach sa dá threo. Tá siad in ann fórsaí gathacha agus fórsaí aiseach a ionsú ar an dá thaobh mar gheall ar fháinne scartha istigh nó seachtrach a tháirgeann dhá uillinn teagmhála agus an teagmháil ceithre phointe comhionann.
I gcomparáid le imthacaí liathróid teagmhála ceithre phointe agus imthacaí sraith dhúbailte, laghdófar go mór an spás aiseach áitithe.










Íoslódáil catalóg